Duplex DU321-3D-TL HA-01

Duplex 321-3D-HA - Türband mit Bandtasche und Bandlappen

Produktauswahl

Wählen Sie eine Produktausführung damit wir Ihnen die genaue Verfügbarkeit sowie den Preis anzeigen können
sofort lieferbar
Bei Goll am Lager verfügbar.
Liefermenge auf Anfrage
Lagerbestand wird nochmals geprüft.
Großmenge auf Anfrage
Lagerbestand wird nochmals geprüft.
UVP/Stück
EUR -
Bestellnummer
Bestellnummer Stift
Bestellnummer Schrauben
Krt.:
Gesamt:

Sämtliche Bestellungen werden über uns abgewickelt und über Ihren gewünschten Fachhändler verrechnet. Preisangaben ohne MwSt.

SCHNELLBESTELLUNG +43 5574 74177-0

Ausführungen

Bestellnummer Ausführung Stück / Krt. Ü-Krt. UVP / Stück Krt. Gesamt Stück
DU321DL-3L-TL-ES-S HA-01 Edelstahl - links 3 15 3 EUR 142,64
sofort lieferbar
auf Anfrage
Menge auf Anfrage
DU321DL-3R-TL-ES-S HA-01 Edelstahl - rechts 3 15 3 EUR 142,64
sofort lieferbar
auf Anfrage
Menge auf Anfrage

Beschreibung

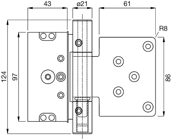
Einsatzbereich: Das Duplex 321-3D Türband DU321..HA-01 eignet sich für außenaufgehende und flächenbündig konzipierte Tür- und Fensterelemente.

Der Flügellappen kann bei 4 mm hohen Aluminiumschalenhaltern einfach aufgeschraubt werden. Bei Aluminiumschalenhaltern unter 4 mm Höhe können wir auf Anfrage gesonderte Flügellappen fertigen, wobei diese dann in den Flügel eingefräst werden müssen.

Aluminiumschalen: Es können sämtliche Fabrikate eingesetzt werden.

Andruckeinstellung: von -1 mm bis +3 mm. Stufenlos mit Exzenter.
Höheneinstellung: von -2 mm bis +4 mm. Stufenlos mit Gewindeschraube.
Seiteneinstellung: von -2 mm bis +3 mm bei 8 mm Aluminiumschalen-
Spaltmaß. Stufenlos mit Gewindeschraube.

von -3 mm bis +3 mm bei 9 mm Aluminiumschalen-
Spaltmaß. Stufenlos mit Gewindeschraube.

Ausführung: Die Bandtasche ist aus Zinkdruckguss, die Bandrolle und der Achsstift sind aus massivem Edelstahl gefertigt. Der Bandlappen ist aus Stahl gefertigt, verzinkt und pulverbeschichtet.

Wichtiger Hinweis: Für die Demontage der Mittelhülse beachten Sie unseren Hinweis bei der Einstellanleitung.

Duplex 321 - Quintessenz in Montage- und Einstellkomfort.

Technische Daten

Bandtype
 
BandrolleØ
mm 
Bandhöhe
mm 
Tragkraft 2 Bd.
kg 
Tragkraft 3 Bd.
kg 
CE
 
HA-01 Ø21 124 100 120

Zubehör / Montagehilfen

Duplex ABD-DUP

Abdeckkappe für Bohrung bei Duplex 320/321

Duplex ABD-DUP